Advertisement
Mini Wiring Diagram 06 Yfz 450 Yfz450r Wiring Diagram : 30 Yfz 450 Parts Diagram
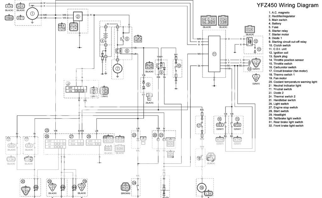
Wiring problems. 2004 yamaha yfz 450 wiring diagram. Starter relay wiring question...
mini wiring diagram 06 yfz 450
Download PDF
Starter relay wiring question...


Yfz yfz450 limitorque. Gauged wire shows talking am. 2006 yfz 450 wiring diagram. Yamaha ignition yfz diagram wiring 2006 atv 4wd switch key 2007 2004 2005 2008 yfm
2006 Yfz 450 Wiring Diagram
yamaha y80 cdi wiring diagram
43 Yfz 450 Wiring Harness - Wiring Diagram Harness Info
Wiring Problems | YFZ Central
I have a 2005 yamaha yfz 450 and the headlights wont work. So when i

Tidak ada komentar:
Posting Komentar